全国空降快餐网址_全国空降服务平台_全国900城市空降免费_同城快餐群加qq

圣克赛斯 | 精心设计、精心制作、持续改进、顾客满意

以技术、创新为发展,以诚信、务实、方便、快捷为保证,树立良好的企业形象,受到客户的广泛好评。

了解更多

圣克赛斯 | 以人为本、追求卓越、持续发展、满足客户、合作共赢

为客户创造价值,为社会为企业创造价值,为员工创造幸福生活。

了解更多

圣克赛斯 | 以人为本、追求卓越、持续发展、满足客户、合作共赢

为客户创造价值,为社会为企业创造价值,为员工创造幸福生活。

了解更多

圣克赛斯 | 以人为本、追求卓越、持续发展、满足客户、合作共赢

为客户创造价值,为社会为企业创造价值,为员工创造幸福生活。

了解更多

圣克赛斯 | 以人为本、追求卓越、持续发展、满足客户、合作共赢

为客户创造价值,为社会为企业创造价值,为员工创造幸福生活。

了解更多

圣克赛斯 | 以人为本、追求卓越、持续发展、满足客户、合作共赢

为客户创造价值,为社会为企业创造价值,为员工创造幸福生活。

了解更多


?
流量 (代表)
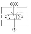
插装阀
型号
插孔 插装阀尺寸 安装
扭距
(N/m)
a b c
60L/min. DSCS--XCN T-31A 84.8 22.2 36.5 45-50
120L/min. DSES--XCN T-32A 92.2 28.6 41.4 60-70
240L/min. DSGS--XCN T-33A 114.4 31.8 72.0 200-215
480L/min. DSIS--XCN T-34A 139.7 41.3 107.0 465-500

DSCS

DSES

DSGS

DSIS
?
工作压 = 350 bar。
内漏量于24cSt =DSCS:30cc/min,at 70 bar,DSES:50cc/min,at70bar,
DSGS:65cc/min,at 70bar,DSIS:80cc/min,at70bar。
导压流量=DSCS,DSES:0,38L/min,DSGS,DSIS:0,75L/min.
此阀可用于防止脱速控制的再生油路,但其滑栓的油漏,无法避免油缸的漂移。
滑栓和滑套均经硬化处理,耐磨且减少对口的油漏。
此阀虽使用四口插孔,但底口(口1)不用。
?

C 40L/min

E 80L/min

G 160L/min

I 350L/min?


X 不可调

?

?

G 10bar

H14bar

E 5bar

仅供 DSEH DEGH

D3.5bar


N?Buna-N
V Viton?



?
主站蜘蛛池模板: 深圳市| 沿河| 兴山县| 遂宁市| 剑阁县| 淄博市| 牙克石市| 阿尔山市| 湄潭县| 呼伦贝尔市| 库伦旗| 衡东县| 安塞县| 莎车县| 开化县| 桐乡市| 建阳市| 平武县| 望谟县| 启东市| 霍州市| 汝南县| 仙桃市| 浦县| 乐平市| 清苑县| 安龙县| 安阳市| 兴安县| 繁峙县| 蒙山县| 闻喜县| 潼南县| 嘉义县| 常熟市| 新巴尔虎右旗| 嘉义市| 广宁县| 大姚县| 宁河县| 河西区|